- 浙江巨恒机械有限公司
- 销售:0577-67319652
- 传真:0577-67319652
- 地址:浙江省温州市永嘉县瓯北街道和二村
D671X-16不锈钢板对夹式四氟气动蝶阀
|
产品名称:
|
不锈钢对夹式气动蝶阀
|
产品型号:
|
D671X、D671F
|
|
公称通径:
|
DN50~DN1000
|
阀座密封:
|
丁青橡胶、聚四氟乙烯
|
|
公称压力:
|
1.0Mpa~1.6MPa
|
连接方式:
|
对夹、法兰
|
|
适用温度:
|
-20ºC~+150ºC
|
驱动方式:
|
手动、蜗轮、电动、气动
|
|
阀体材质:
|
铸铁、球墨铸铁、铸钢、不锈钢
|
制造标准:
|
国标GB、德国DIN、美国API、ANSI
|
|
适用介质:
|
水、油、气体、粉体、液体
|
生产厂家:
|
-
|
产品说明
D671X不锈钢对夹式气动蝶阀是由气动活塞式执行器、橡胶密封蝶阀和碳钢或不锈钢阀板、阀杆构成。不锈钢对夹式气动蝶阀适用于温度≤120℃如食品、医药、化工、石油、电力、轻纺、造纸等给排水、气体管道上作调节流量和截流介质的作用。
主要特点
(1)设计新颖、合理、结构独特,重量轻,启闭迅速。
(2)操力矩小,操作方便,省力灵巧。
(3)可以任何位置安装,维修方便。
(4)密封件可以更换,密封性能可靠达到双向密封零泄漏。
(5)密封材料耐老化、耐腐蚀,使用寿命长等特点。
设计标准
|
设计标准
|
GB/T12238-1989
|
|
法兰连接尺寸
|
GB/T9113.1-2000;GB/T9115.1-2000;JB78
|
|
结构长度
|
GB/T12221-1989
|
|
压力试验
|
GB/T13927-2000;JB/T9092-1999
|
技术参数
|
公称通径DN(mm)
|
DN50~1000mm
|
|
公称压力(MPa)
|
PN1.0、1.6、2.5MPa
|
|
阀体形式
|
直通铸造阀体
|
|
连接形式
|
法兰式、对夹式
|
|
阀芯形式
|
蝶板式
|
|
密封填料
|
柔性石墨、聚四氟乙烯
|
|
基本误差
|
带定位器:小于全行程的±2%
|
|
回差
|
带定位器:小于全行程的±2%
|
|
控制方式
|
开关型(开关两位控制)、调节型(4~20mA控制)
|
气动执行器参数
|
执行器型号
|
GT、AT、AR、AW系列单双作用气动执行器
|
|
供气压力
|
0.4~0.7MPa
|
|
气源接口
|
G1/4"、G1/8"、G3/8"、G1/2"
|
|
环境温度
|
-30~+70℃
|
|
作用形式
|
单作用执行机构:气关式(B)--失气时阀位开(FO);气开式(K)--失气时阀位关(FC)
双作用执行机构:气关式(B)--失气时阀位保持(FL);气开式(K)-- 失气时阀位保持(FL)
|
|
可配附件
|
定位器、电磁阀、空气过滤减压器、保位阀、行程开关、阀位传送器、手轮机构等
|
采用新型系列气动执行器,有双作用式和单作用式(弹簧复位),齿轮齿条传动,安全可靠;大口径阀门采用系列AW型气动执行器拔叉式传动,结构合理,输出扭矩大,有双作用式和单作用式。
1、齿轮式双活塞,输出力矩大,体积小。
2、气缸选用铝金材料,重量轻、外形美观。
3、可在顶部、底部安装手动操作机构。
4、齿条式连接可调节开启角度、额定流量。
5、执行器可选带电讯号反馈指示及各类附件以实现自动化操作。
6、IS05211标准连接为产品的安装更换提供了方便。
7、两端调的节螺钉可使标准产品在0°和90°有±4°的可调范围。确保与阀门的同步精度。
零件材料
|
零件名称
|
主要材料
|
|
阀体
|
灰铸铁、球墨铸铁、铸钢、合金钢、不锈钢
|
|
蝶板
|
灰铸铁、球墨铸钢、铸钢、不锈钢及特殊材料
|
|
密封圈
|
各种橡胶、聚四氟
|
|
阀杆
|
2Cr13、不锈钢
|
|
填料
|
O型圈、柔性石墨O
|
性能规范
|
公称通径
|
DN(mm)
|
50~1000
|
|
公称压力
|
PN(MPa)
|
0.6
|
1.0
|
1.6
|
|
试验压力
|
强度试验
|
0.9
|
1.5
|
2.4
|
|
密封试验
|
0.66
|
1.1
|
1.76
|
|
气密封试验
|
0.6
|
0.6
|
0.6
|
|
适用介质
|
空气、水、污水、蒸气、煤气、油品等。
|
|
驱动形式
|
气动传动
|
密封材料和适用温度
|
材料品种
|
氯丁橡胶
|
丁晴橡胶
|
乙丙橡胶
|
聚四氟乙烯
|
硅橡胶
|
氟橡胶
|
天然橡胶
|
尼龙
|
|
英语简称
|
CR
|
NBR
|
EPDM
|
PTFE
|
SI
|
VITON
|
NR
|
PA
|
|
型号代号
|
X或J
|
XA或JA
|
XB或JB
|
F或XC、JC
|
XD或JD
|
XE或JE
|
X1
|
N
|
|
耐最高温度
|
82℃
|
93℃
|
150℃
|
232℃
|
250℃
|
204℃
|
85℃
|
93℃
|
|
耐最低温度
|
-40℃
|
-40℃
|
-40℃
|
-268℃
|
-70℃
|
-23℃
|
-20℃
|
-73℃
|
|
适用工作温度
|
0~+80℃
|
-20~+82℃
|
-40~+125℃
|
-30~+150℃
|
-70~+150℃
|
-23~+150℃
|
-20~+85℃
|
-30~+93℃
|
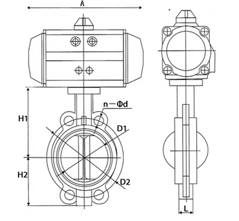
外形结构图
主要外形连接尺寸
|
公称通径
|
长度
|
外形尺寸(参考值)
|
连接尺寸(标准值)
|
|
0.6MPa
|
1.0MPa
|
1.6MPa
|
|
毫米
|
英寸
|
L
|
H1
|
H2
|
A
|
D
|
D1
|
n-d
|
D
|
D1
|
n-d
|
D
|
D1
|
n-d
|
|
50
|
2
|
43
|
63
|
315
|
180
|
140
|
110
|
4-14
|
165
|
125
|
4-18
|
165
|
125
|
4-18
|
|
65
|
21/2
|
46
|
70
|
330
|
180
|
160
|
130
|
4-14
|
185
|
145
|
4-18
|
185
|
145
|
4-18
|
|
80
|
3
|
46
|
83
|
390
|
245
|
190
|
150
|
4-18
|
200
|
160
|
8-18
|
200
|
160
|
8-18
|
|
100
|
4
|
52
|
105
|
431
|
240
|
210
|
170
|
4-18
|
220
|
180
|
8-18
|
220
|
180
|
8-18
|
|
125
|
5
|
56
|
115
|
455
|
240
|
240
|
200
|
8-18
|
250
|
210
|
8-18
|
250
|
210
|
8-18
|
|
150
|
6
|
56
|
137
|
626
|
350
|
265
|
225
|
8-18
|
285
|
240
|
8-22
|
285
|
240
|
8-22
|
|
200
|
8
|
60
|
164
|
720
|
350
|
320
|
280
|
8-18
|
340
|
295
|
8-22
|
340
|
295
|
12-22
|
|
250
|
10
|
68
|
206
|
800
|
550
|
375
|
335
|
12-18
|
395
|
350
|
12-22
|
405
|
355
|
12-26
|
|
300
|
12
|
78
|
230
|
860
|
600
|
440
|
395
|
12-22
|
445
|
400
|
12-22
|
460
|
410
|
12-26
|
|
350
|
14
|
78
|
248
|
883
|
600
|
490
|
445
|
12-22
|
505
|
460
|
16-22
|
520
|
470
|
16-26
|
|
400
|
16
|
102
|
289
|
972
|
600
|
540
|
495
|
16-22
|
565
|
515
|
16-26
|
580
|
525
|
16-30
|
|
450
|
18
|
114
|
320
|
1043
|
750
|
595
|
550
|
16-22
|
615
|
565
|
20-26
|
640
|
585
|
20-30
|
|
500
|
20
|
127
|
343
|
1098
|
750
|
645
|
600
|
20-22
|
670
|
620
|
20-26
|
715
|
650
|
20-33
|
|
600
|
24
|
154
|
413
|
1236
|
750
|
755
|
705
|
20-26
|
780
|
725
|
20-30
|
840
|
770
|
20-36
|
|
700
|
28
|
165
|
478
|
1431
|
750
|
860
|
810
|
24-26
|
895
|
840
|
24-30
|
910
|
840
|
24-36
|
|
800
|
32
|
190
|
525
|
1488
|
750
|
975
|
920
|
24-30
|
1015
|
950
|
24-33
|
1025
|
950
|
24-39
|
|
900
|
36
|
203
|
620
|
1615
|
1250
|
1075
|
1020
|
24-30
|
1115
|
1050
|
28-33
|
1125
|
1050
|
28-39
|
|
1000
|
40
|
216
|
725
|
1765
|
1500
|
1175
|
1120
|
28-30
|
1230
|
1160
|
28-36
|
1255
|
1170
|
28-42
|
|
1200
|
48
|
254
|
780
|
1976
|
1500
|
1405
|
1340
|
32-33
|
1455
|
1380
|
32-39
|
1485
|
1390
|
32-48
|