
详细介绍
电动平台球阀
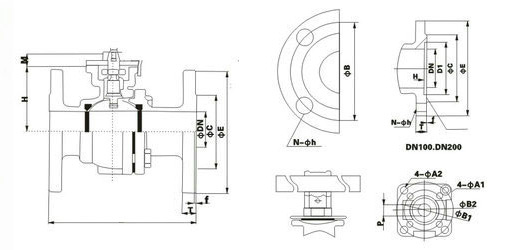
Q941F电动高平台球阀
阀门型号:Q941F,Q941H
通径规格:DN15~DN300
结构形式:浮动直通式
阀体材质:铸钢WCB、不锈钢304、不锈钢316
公称压力:PN10、PN16、PN25、PN40
适用温度:-30℃~350℃
应用范围:水、油品、气体、腐蚀性介质等
产品特点:高平台设计,美观大方,占用空间小,结构更紧凑
电动高平台球阀采用高平台设计,与执行器可进行直接安装,无需再上支架,为产品的安装和更换提供了方便,具有流通阻力小,流通量大等特点。电动高平台球阀与普通带支架球阀的区别是,占用空间小,结构紧凑,缺点是不耐高温,温度传导到气缸上,气缸内的橡胶圈容易老化。而普通球阀与执行器之间虽然需要上支架和连接轴才可安装,但散热功能强一些,通常介质温度过高的管道一般采用带支架球阀,这样可避免因为高温而损坏执行器,延长使用寿命。
1、采用高平台ISO5211标准设计,无需其它支架和连接轴,即可与执行装置进行连接安装。
2、采用硅溶胶精密铸造,外形美观,紧密可靠,密封性好,使用范围广。
3、防静电功能,在球体、阀杆、阀体之间设置弹簧,能将开关过程产生的静电导出。
4、流体阻力小,全通径的球阀基本没有流阻,开闭迅速,从全开到全关只要旋转90°,操作方便。
| 公称通径 | DN15~DN300(mm) |
| 公称压力 | PN1.6、2.5、4.0MPa |
| 连接形式 | 法兰式 |
| 结构形式 | 浮动直通式(高平台阀体) |
| 电源电压 | 电动控制AC220V |
| 动作范围 | 0~90° |
| 阀芯结构 | 浮动"O"型阀芯 |
| 阀体材质 | 铸钢WCB、不锈钢304、316、316L |
| 密封材料 | PTFE、PPL(-30℃-180℃) |
| 使用介质 | 水、油品、气体、腐蚀性介质等 |
| 控制方式 | 开关式(快速两位切断)、调节型(输入输出4~20mA信号) |
电动高平台法兰球阀采用弹簧柱塞式静电引出装置,使球体与阀体之间直接形成静电通道或通过阀杆使球体与阀体之间形成静电通道,从而可将球体与阀座开关过程中摩擦产生的静电通过阀体引到大地,防止静电火花可能引起的火灾或爆炸等危险。静电是一种客观的自然现象,产生的方式多种,如接触、摩擦等。比如高平台球阀,当球体和软密封开关摩擦以后,会产生静电,若管道内走的是易燃易爆介质是很危险的,所以阀门中设置一个将球体静电导向外面的联通装置,防止静电是很重要的。
Copyright © 2022 浙江巨恒机械有限公司 浙ICP备2022030798号-1 服务热线:0577-67319652 (拔打)
技术支持:中国泵阀制造网