
详细介绍
气动三通球阀
气动三通球阀
产品描述
Q644/5F不锈钢气动三通球阀是由三通球阀配套气动执行器组成,该阀可分为L型和T型。L型三通球阀用于介质流向的切换,能使相互垂直的两个通道连通。三通球阀一般采用两阀座结构,亦可根据用户要求采用四阀座结构。四阀座密封三通球阀具有造型美观、结构紧凑合理,它不仅可实现介质流向的切换,也可使三个通道相互连通,同时也可关闭任一通道,使另外两个通道连通,灵活控制管路中介质的合流或分流。
产品特点:
1.防火结构设计2.ISO 5211平台设计便于安装自动开关装置3.阀杆与阀体之间防静电装置4.阀杆防爆出装置设计
5、三通球阀使用寿命长,流通能力大,阻力小
6、三通气动球阀按作用式分单作用和双作用两种型式,单作用式的特点是一旦动力源发生故障时,球阀将处于控制系统要求的状态
L型流道的三通4面阀座球阀,采用2面阀座。主要用于流路的换向。
T型流道的三通4面阀座球阀,采用4面阀座,受力平衡,保证闭止通道上可靠密封。主要用于分流、混流、换向以及三通道的完全开放。
应用范围:
Q644/5F不锈钢气动三通球阀因结构紧凑,操作简单,使用寿命长,安全可靠等特点已经被各行各业所应用了。主要集中在以下方面:
1、化工、石油化工生产中的弱腐蚀性物料,如:水、氨、油品、烃类等。
2、化工生产中的腐蚀性物料,如:烧碱、纯碱、浓稀硫酸、碳酸、醋酸、酯酸等。
3、制冷中的低温物料,如:液甲烷、液氨、液氧和各种冷剂。
4、轻工食品、制药生产中卫生要求的物料,如:啤酒、饮料、乳制品、粮浆等。
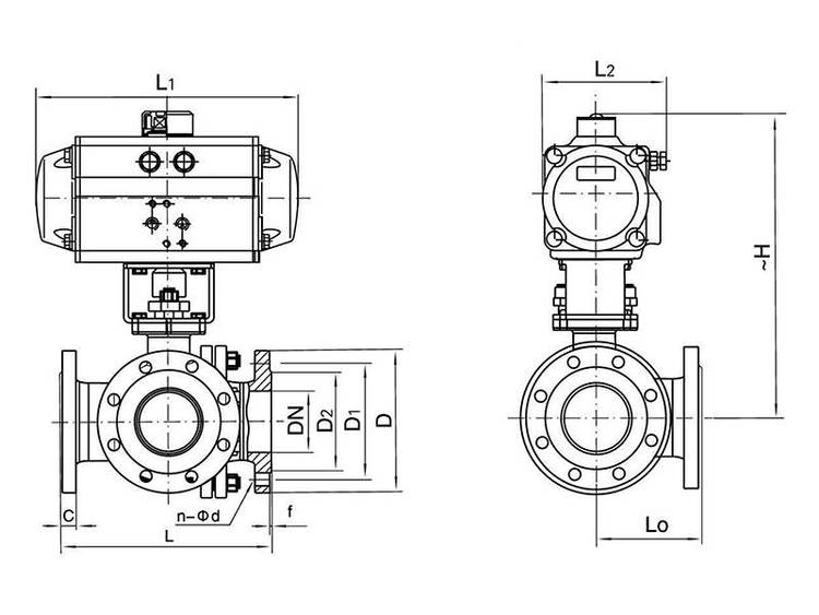
连接尺寸参数:
| 公称通径 DN(mm) | 15 | 20 | 25 | 32 | 40 | 50 | 65 | 80 | 100 | 125 | 150 | 200 |
| L | 150 | 150 | 180 | 200 | 220 | 240 | 260 | 280 | 320 | 380 | 440 | 550 |
| L1 | 75 | 75 | 90 | 100 | 110 | 120 | 130 | 140 | 160 | 190 | 220 | 275 |
| H | 根据所配执行机构而定 | |||||||||||
| D | 95 | 105 | 115 | 140 | 150 | 165 | 185 | 200 | 220 | 250 | 285 | 340 |
| D1 | 65 | 75 | 85 | 100 | 110 | 125 | 145 | 160 | 180 | 210 | 240 | 295 |
| D2 | 46 | 56 | 65 | 76 | 84 | 99 | 118 | 132 | 156 | 184 | 211 | 266 |
| 14 | 16 | 16 | 18 | 18 | 20 | 20 | 20 | 22 | 22 | 24 | 24 | |
| A、A1 | 根据阀门所需力矩而定,配置机型不同,外形尺寸也不相同 | |||||||||||
技术参数
| 技术参数 | |
| 公称通径 | DN15-200mm |
| 链接方式 | 法兰 |
| 气缸选配 | AT系列、AW系列 |
| 气缸形式 | 双作用、单作用(弹簧复位) |
| 控制方式 | 开关型、调节型、三段式(开度可调) |
| 公称压力 | 6、10、16bar(如需更高压力,请注明要求。) |
| 气源压力 | 双作用:4-8bar、单作用:5-8bar |
| 介质温度 | W1:-40~180℃、W2:-40~300℃、W3/W4:-30~425℃ |
| 环境温度 | 标准型:-20~80℃ |
| 阀体材质 | 碳钢(C)、不锈钢(P4、P6) |
| 密封材质 | 聚四氟乙烯(F)、对位聚苯(PPL)、金属硬密封(H)、 |
Copyright © 2022 浙江巨恒机械有限公司 浙ICP备2022030798号-1 服务热线:0577-67319652 (拔打)
技术支持:中国泵阀制造网